Exercícios para o ENEM (364)
Foram encontradas 6013 questões
O ouvido humano apresenta algumas características interessantes. Uma...

0.
30.
40.
4000.
Doenças negligenciadas são um grupo de enfermidades tropicais...
Infarto.
Câncer.
Alzheimer.
Influenza A.
Leishmaniose.
O titânio é encontrado na natureza em minerais, dos quais o rutilo...
TiCI4 + 2 CO2
2 MgCl2 + Ti
179 kg
359 kg
480 kg
710 kg
1420 kg
Um professor solicita a um grupo de alunos que organizem uma coleção...
talófitos, não apresentando corpo segmentado em diferentes órgãos.
criptógamos, não apresentando órgãos de reprodução sexuais visíveis.
heterótrofos, não apresentando capacidade de sintetizarem seu alimento.
haploides, não apresentando capacidade de se reproduzirem sexuadamente.
avasculares, não apresentando tecidos especializados de transporte de água e nutrientes.
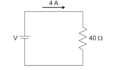
Aquecedores elétricos utilizam resistência de fio, suportando uma...

22,5 Ω em paralelo.
22,5 Ω em série.
71,1 Ω em paralelo.
71,1 Ω em série.
101,1 Ω em paralelo.
O DNA mitocondrial pode ser utilizado para evidenciar um parentesco ou...

1.
2
3.
4.
5.
Os satélites em órbitas geoestacionárias ocupam uma posição fixa...

Um grupo de pesquisadores realizou um experimento para identificar...
água.
cálcio.
fosfato.
potássio.
nitrogênio.
Ao respirarmos, falarmos, tossirmos ou espirrarmos, liberamos...

neutralizam as partículas virais presentes nas gotículas e aerossóis.
fornecem uma barreira de proteção contra as partículas virais liberadas no ar.
reduzem a quantidade de vírus nas gotículas produzidas durante a respiração.
permitem que os indivíduos infectados inspirem e expirem menos partículas virais.
mantêm afastados os indivíduos não infectados daqueles que já foram infectados.
As lhamas que vivem nas montanhas dos Andes da América do Sul têm...
afinidade pelo O2, maximizando a captação desse gás.
capacidade de tamponamento, evitando alterações de pH no sangue.
afinidade pelo CO2, facilitando seu transporte para eliminação nos pulmões.
velocidade no transporte de gases, aumentando a eficiência de troca gasosa.
solubilidade de gases no plasma, melhorando seu transporte nos tecidos.