Movimento Retilíneo Uniforme
Movimento Retilíneo Uniforme (MRU) é o movimento que ocorre com velocidade constante em uma trajetória reta. Desta forma, em intervalos de tempos iguais o móvel percorre a mesma distância.
Um exemplo de MRU é quando estamos viajando em uma estrada plana e reta e o velocímetro indica sempre a mesma velocidade.
Velocidade média
O valor da velocidade média é encontrado dividindo-se a variação do espaço pelo intervalo de tempo.
![]()
onde,
vm: velocidade média
Δs: variação do espaço
t: intervalo de tempo
Exemplo
A distância entre as cidades de Triste e Alegre é de 300 km. Qual a velocidade média de um carro que saiu de Triste e chegou em Alegre em 5 horas?
![]()
Veja também: Velocidade média
Velocidade instantânea
A velocidade instantânea é o valor da velocidade para um intervalo de tempo extremamente pequeno. Representada por v, é a velocidade que vemos no velocímetro do carro.
No movimento retilíneo uniforme a velocidade média apresenta o mesmo valor da velocidade instantânea, ou seja:
vm = v
Exemplo
Um nadador, em nado livre, percorre a distância de 100 m em um tempo de 50s. Considerando sua velocidade constante durante todo o percurso, determine:
a) a velocidade média
b) a velocidade instantânea
A velocidade média é igual a:
![]()
Como o movimento é MRU o valor da velocidade instantânea também será igual a 2 m/s.
Veja também: Exercícios sobre velocidade média
Função horária da posição
A função horária da posição é encontrada substituindo Δs por s - s0 na equação da velocidade.
Assim, temos:
![]()
Isolando s, encontramos a função horária da posição do MRU:
s = s0 + v.t
Onde,
s: posição
s0: posição inicial
v: velocidade
t: tempo
Exemplo
Um móvel em movimento retilíneo uniforme apresenta a seguinte função horária s = 20 + 3t. Considerando que os valores estão no sistema internacional de unidades, determine:
a) a posição do móvel no instante inicial do movimento
b) a sua posição após 50 s
Comparando a função dada com a função horária, vemos que o valor da posição inicial é igual a 20 m.
Para encontrar a posição pedida, devemos substituir o valor de t na função. Desta forma temos s = 20 + 3 . 50 = 170 m
Veja também: Fórmulas de Cinemática
Gráficos
Como no MRU a velocidade é constante, o gráfico da velocidade em função do tempo será representado por uma reta paralela ao eixo do tempo.
A função horária da posição é uma função do primeiro grau, logo seu gráfico será uma reta.
Veja também: Cinemática
Exercícios de Vestibular
1. (PUC-MG) Um homem, caminhando na praia, deseja calcular sua velocidade. Para isso,ele conta o número de passadas que dá em um minuto, contando uma unidade a cada vez que o pé direito toca o solo, e conclui que são 50 passadas por minuto. A seguir, ele mede a distância entre duas posições sucessivas do seu pé direito e encontra o equivalente a seis pés. Sabendo que três pés correspondem a um metro, sua velocidade, suposta constante, é:
a) 3 km/h
b) 4,5 km/h
c) 6 km/h
d) 9 km/h
e) 10 km/h
Veja também: Cinemática - Exercícios
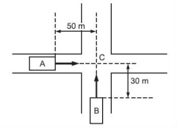
2. (Mackenzie) A figura mostra, em determinado instante, dois carros A e B em movimento retilíneo uniforme. O carro A, com velocidade escalar 20 m/s, colide com o B no cruzamento C. Desprezando as dimensões dos automóveis, a velocidade
escalar de B é:

a) 12 m/s
d) 6 m/s
b) 10 m/s
e) 4 m/s
c) 8 m/s
Veja também: Movimento Retilíneo Uniformemente Variado
3. (UFSM-RS) No instante em que um índio dispara uma flecha contra a sua presa, que se encontra a 14 m de distância, ela corre, tentando fugir.
Se a flecha e a presa se deslocam na mesma direção e no mesmo sentido, com velocidades de módulos 24 m/s e 10 m/s, respectivamente, o intervalo de tempo levado pela flecha para atingir a caça, em segundos, é
a) 0,5
b) 1
c) 1,5
d) 2
e) 2,5
Para adquirir mais conhecimento, leia também sobre:
- Movimento Uniforme
- Movimento Uniforme - Exercícios
- Movimento Uniformemente Variado
- Movimento Circular
- Lançamento Oblíquo
- Movimento Progressivo e Movimento Retrógrado
- Exercícios sobre MUV (Movimento Uniformemente Variado)
GOUVEIA, Rosimar. Movimento Retilíneo Uniforme. Toda Matéria, [s.d.]. Disponível em: https://www.todamateria.com.br/movimento-retilineo-uniforme/. Acesso em: